Каталог товарів
- Головна
- ВІЙСЬКОВА СПРАВА. ЗБРОЯВійськове правоСтатути ЗСУТактикаВогнева підготовкаАртилеріяБронетехнікаПіхотна зброяБПЛАРХБЗВійськова медицина. Тактична медицинаВійськові стандарти. Стандарти НАТОРозвідкаВійськова топографіяІнженерне забезпеченняІсторія війн, війська, військового мистецтваОкремі силові та спеціальні структуриСпецслужби світуМисливська зброяХолодна зброяВійськові нагородиДля дітейПодарункові виданняІншеРосійсько-українська війна
- Піхотна зброя
- Міномети
- Міномет калібру 60-мм «МП-60». Настанова щодо експлуатування
Міномет калібру 60-мм «МП-60». Настанова щодо експлуатування
Відвантаження цього товару1-3 дніДоставкаНова пошта - від 60 грн.
Самовивіз у Києві - безкоштовно
Кур'єр по Києву - 90 грн.
Укрпошта - 55 грн.
Meest - 60 грн.
*Безкоштовно від 750 грн.ОплатаКартою Visa/Mastercard
Поповнення карти/рахунку IBAN
Післяплата
Готівка
Безготівковий розрахунок
Самовивіз у Києві - безкоштовно
Кур'єр по Києву - 90 грн.
Укрпошта - 55 грн.
Meest - 60 грн.
*Безкоштовно від 750 грн.ОплатаКартою Visa/Mastercard
Поповнення карти/рахунку IBAN
Післяплата
Готівка
Безготівковий розрахунок
- Огляд
- Характеристики
- Відгуки0
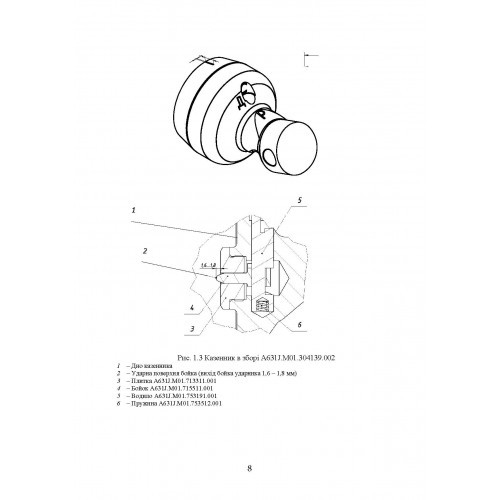
Дана Настанова щодо експлуатування A631J.М01.304129.001 НЕ (в подальшому – Настанова) є керівництвом для вивчення будови і правил експлуатації міномета калібру 60 міліметрів «МП-60» A631J.М01.304129.001.
У Настанові викладені призначення, тактико-технічні характеристики, будова і робота міномета та його складових частин, правила експлуатації, розбирання і збирання міномета, а також види та періодичність технічного обслуговування, характерні несправності та способи їх усунення, порядок зберігання, транспортування і утилізації.
Крім того, в ній дані відомості про будову і призначення боєприпасів, які використовуються в мінометі МП-60.
| Видавництво | ЦУЛ |
| Місце видання | Київ |
| Рік | 2022 |
| Сторінок | 84 |
| Формат, см | 14,5х20 |
| Палітурка | м'яка обкладинка |
| Папір | офсетний |
| Ілюстрації | чорно-білі |
| Мова | українська |
| ISBN | 978-611-01-2761-5 |
| Вага | 0.15 кг |
Міномет калібру 60-мм «МП-60». Настанова щодо експлуатування відгуки
Із цим товаром купують:
В наявності
В наявності
В наявності
































